К 17

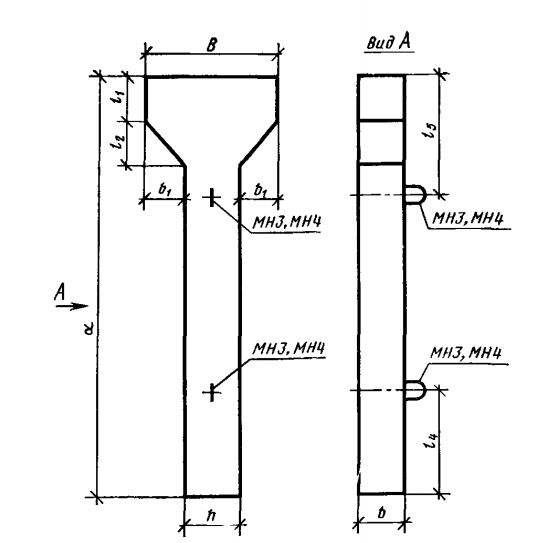
Чертеж изделия:
Характеристики изделия:
ПараметрЗначение
длина1650 мм
ширина700 мм
высота200 мм
масса265 кг
нормативный документГОСТ 23899-79

К 17  Колонны железобетонные под параболические лотки ГОСТ 23899-79.