ТМ 9

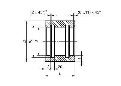
Чертеж изделия:
Характеристики изделия:
ПараметрЗначение
длина220 мм
ширина231 мм
высота231 мм
масса8,8 кг
нормативный документГОСТ 31416-2009

ТМ 9   Муфты хризотилцементные для напорных теплопроводов ГОСТ 31416-2009.