С 60.40

Чертеж изделия:
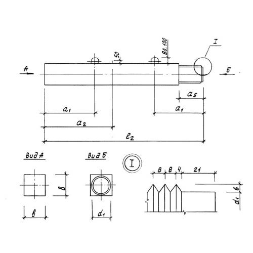
Характеристики изделия:
ПараметрЗначение
длина6000 мм
ширина400 мм
высота400 мм
вес2350 кг
серия1.011.1-10

С 60-40 Сваи составные верхние по серии 1.011.1-10.