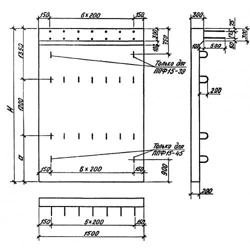
ППФ 15-45

Чертеж изделия:
Характеристики изделия:
ПараметрЗначение
длина1500 мм
ширина300 мм
высота4500 мм
вес3500 кг
серия1.012.1-3.97

ППФ 15-45 Плиты фундаментные плоские по серии 1.012.1-3.97.