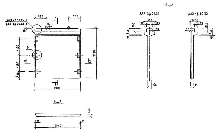
2Д 30.33 диафрагмы жесткости
Характеристики изделия:
| Параметр | Значение |
|---|---|
| длина | 2980 мм |
| ширина | 550 мм |
| высота | 3270 мм |
| масса | 4400 кг |
| нормативный документ | Серия 1.020-1/87 |
Цена:
Рассчитать стоимость2Д 30.33 Диафрагмы жесткости с двумя полками Серия 1.020-1/87.
