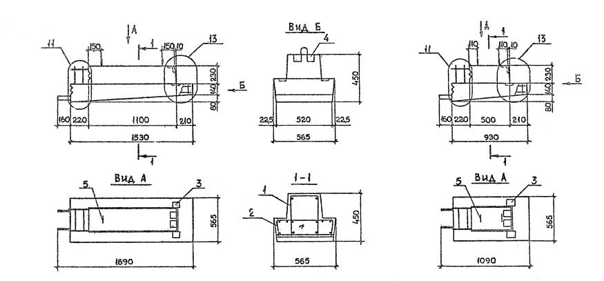
РК 4.16

Чертеж изделия:
Характеристики изделия:
ПараметрЗначение
длина1690 мм
ширина565 мм
высота450 мм
масса580 кг
нормативный документСерия 1.020.1-2с/89

РК 4.16  Ригели консольные Серия 1.020.1-2с/89.