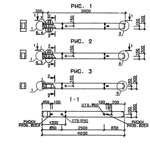
1КО 3.42

Чертеж изделия:
Характеристики изделия:
ПараметрЗначение
длина4200 мм
ширина300 мм
высота450 мм
масса990 кг
нормативный документСерия 1.020.1-3пв

1КО 3.42  Колонны одноконсольные Серия 1.020.1-3пв.