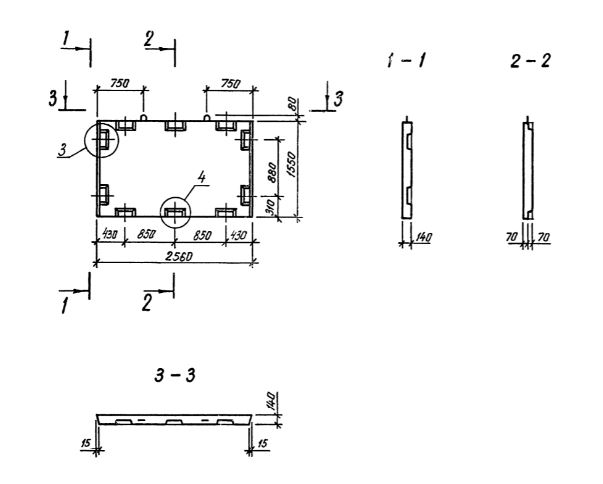
Д 26.16

Чертеж изделия:
Характеристики изделия:
ПараметрЗначение
длина2560 мм
ширина140 мм
высота1550 мм
масса1410 кг
нормативный документСерия 1.020.1-3пв

Д 26.16  Диафрагмы жесткости  Серия 1.020.1-3пв.