ПСЦ 56.360.35

Чертеж изделия:
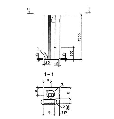
Характеристики изделия:
ПараметрЗначение
длина560 мм
ширина3585 мм
высота560 мм
масса1310 кг
нормативный документСерия 1.020.1-3пв

ПСЦ 56.360.35  Панели стеновые цокольные Серия 1.020.1-3пв.