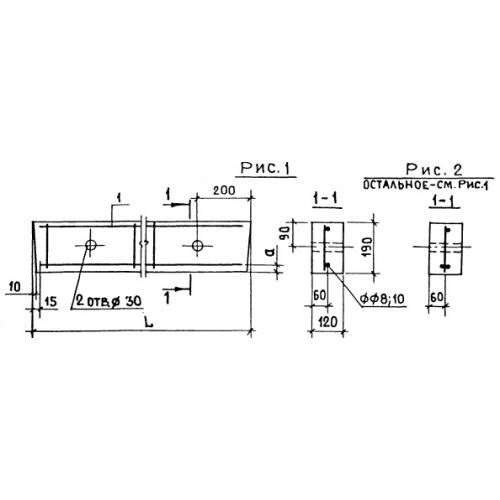
9ПБ 18 перемычки брусковые

Чертеж изделия:
Характеристики изделия:
ПараметрЗначение
длина1810 мм
ширина120 мм
высота190 мм
масса103 кг
нормативный документСерия 1.038.1-1

9ПБ 18  Перемычки брусковые Серия 1.038.1-1.