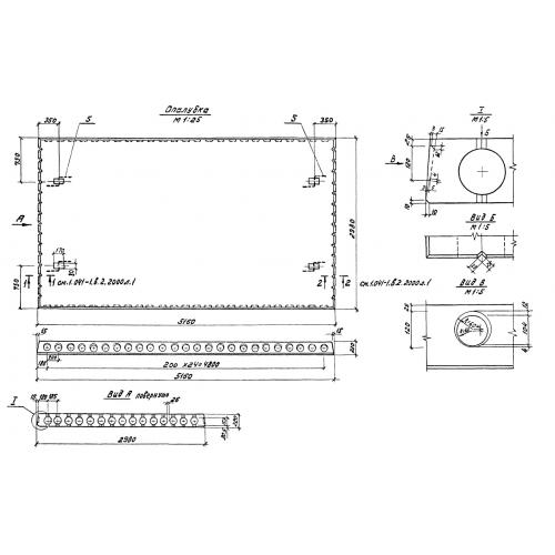
ПК 52-30-10

Чертеж изделия:
Характеристики изделия:
ПараметрЗначение
длина5160 мм
ширина2980 мм
высота220 мм
вес3800 кг
серия1.041-1

ПК 52-30-10 Многопустотные плиты перекрытия по серии 1.041-1.