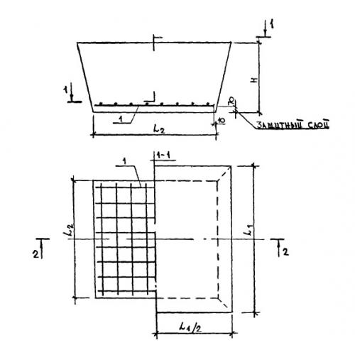
Ф 19.5

Чертеж изделия:
Характеристики изделия:
ПараметрЗначение
длина2100 мм
ширина2100 мм
высота750 мм
масса7125 кг
нормативный документСерия 1.090.1-1

Ф 19.5 Фундаменты Серия 1.090.1-1.