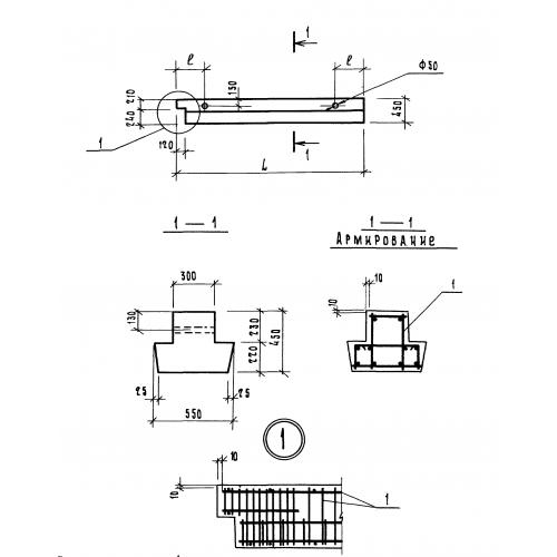
2БР 34.5.4

Чертеж изделия:
Характеристики изделия:
ПараметрЗначение
длина3420 мм
ширина550 мм
высота450 мм
вес1550 кг
серия1.111.1-5

2БР 34.5.4 Балки ростверков по серии 1.111.1-5.