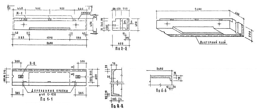
НБ-27.4.6П

Чертеж изделия:
Характеристики изделия:
ПараметрЗначение
Длина2680 мм
Ширина600 мм
Высота580 мм
Масса1190 кг
Нормативный документСерия 1.133-1

Стеновые легкобетонные блоки толщиной 60 см по Серии 1.133-1.

НБ-27.4.6П  Перемычечный блок.