2БН 9.7.50

Чертеж изделия:
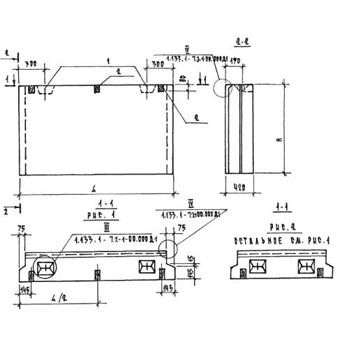
Характеристики изделия:
ПараметрЗначение
длина890 мм
ширина420 мм
высота660 мм
вес360 кг
серия1.133.1-7

2БН 9.7.50 Блоки подоконные по серии 1.133.1-7.