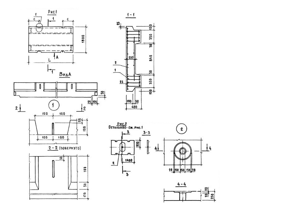
ЛРТ 60.18.40 ла

Чертеж изделия:
Характеристики изделия:
ПараметрЗначение
длина5980 мм
ширина1800 мм
высота400 мм
масса4670 кг
нормативный документСерия 1.165.1-12

ЛРТ 60.18.40 ла   Водосбросные лотковые плиты с водоприемной воронкой, Серия 1.165.1-12.