1ПССП 10.10.3,1-п
| Параметр | Значение |
|---|---|
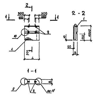
| Длина | 955 мм |
| Ширина | 310 мм |
| Высота | 1000 мм |
| Масса | 350 кг |
| Нормативный документ | Серия 1.232.1-8 |
Стандарт изготовления изделия: Серия 1.232.1-8
Панель однослойная самонесущая 1ПССП 10.10.3,1-п (1.232.1-8) представляет собой прочную прямоугольную конструкцию, выполненную из легкобетонной смеси и стального внутреннего каркаса. Наружная поверхность строительного элемента обладает эстетичным декоративным слоем. Вертикальные грани наружного слоя запроектированы из условия устройства стыков, заделываемых герметиками. На нижней горизонтальной грани предусмотрена декомпрессионная полость. Можно создавать парапет при постройке крупнопанельных зданий промышленных предприятий с высотой этажа 3,3 метра.
Маркировка
1. 1 - различие в размерах или расположении проема;
2. ПССП - панель стеновая самонесущая парапетная для внутреннего угла;
3. 10 - длина в дециметрах;
4. 10 - высота в дециметрах;
5. 3,1 - толщина в дециметрах;
6. п - используется бетонная смесь на пористых заполнителях.