3ПССО 60.33.3,5-п
| Параметр | Значение |
|---|---|
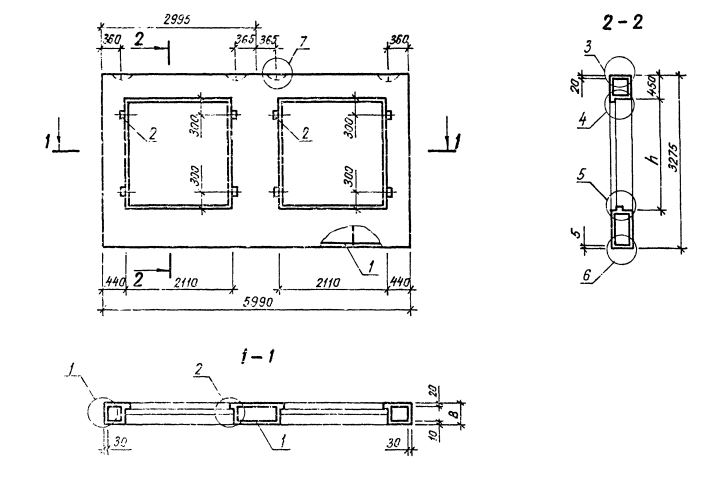
| Длина | 5990 мм |
| Ширина | 350 мм |
| Высота | 3275 мм |
| Масса | 5260 кг |
| Нормативный документ | Серия 1.232.1-8 |
Стандарт изготовления изделия: Серия 1.232.1-8
Панель однослойная самонесущая 3ПССО 60.33.3,5-п (1.232.1-8) представляет собой прочную прямоугольную конструкцию, выполненную из легкобетонной смеси и стального внутреннего каркаса. Наружная поверхность строительного элемента обладает эстетичным декоративным слоем. Вертикальные грани наружного слоя запроектированы из условия устройства стыков, заделываемых герметиками. На нижней горизонтальной грани предусмотрена декомпрессионная полость. Конструкционными особенностями, как данной панели, так и всех аналогичных изделий, изготавливаемых по регламенту Серия 1.232.1-8, является наличие проемов для окон и дверей.
Маркировка
1. 3 - различие в размерах или расположении проема;
2. ПССО - панель стеновая самонесущая с отверстием для установки окна;
3. 60 - длина в дециметрах;
4. 33 - высота в дециметрах;
5. 3,5 - толщина в дециметрах;
6. п - используется бетонная смесь на пористых заполнителях.