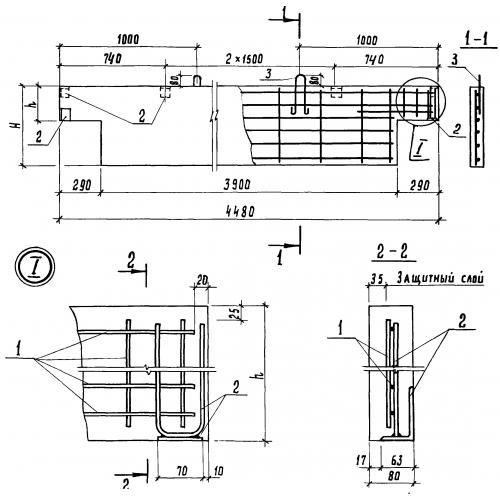
ПС 45.6

Чертеж изделия:
Характеристики изделия:
ПараметрЗначение
длина4480 мм
ширина80 мм
высота600 мм
вес500 кг
серия1.820.9-1

ПС 45.6 Стенки ограждающие по серии 1.820.9-1.