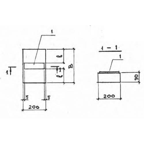
ОП 1 опорные подушки

Чертеж изделия:
Характеристики изделия:
ПараметрЗначение
длина200 мм
ширина200 мм
высота90 мм
масса10 кг
нормативный документСерия 3.006.1-2/87

ОП 1  Опорные подушки Серия 3.006.1-2/87.