ПТО 42

Чертеж изделия:
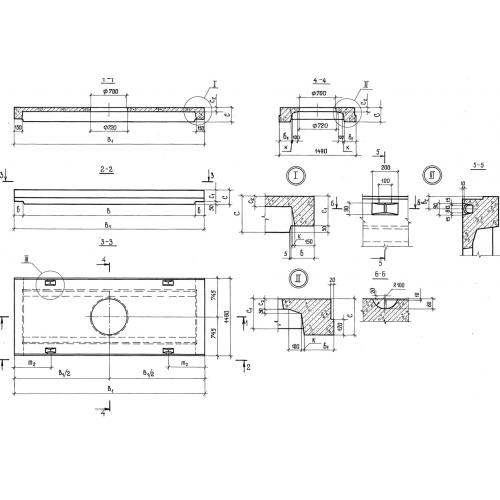
Характеристики изделия:
ПараметрЗначение
длина4600 мм
ширина1490 мм
высота360 мм
масса3550 кг
нормативный документСерия 3.006.1-3/83

ПТО 42  Плиты перекрытия тоннелей с отверстием Серия 3.006.1-3/83.