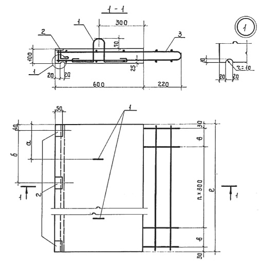
ПР 1т

Чертеж изделия:
Характеристики изделия:
ПараметрЗначение
Длина2980 мм
Ширина600 мм
Высота100 мм
Масса500 кг
Нормативный документСерия 3.019.1-1

ПР 1т  Плита рампы по Серии 3.019.1-1.