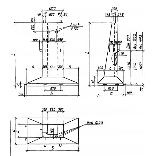
ФР 1

Чертеж изделия:
Характеристики изделия:
ПараметрЗначение
длина4000 мм
ширина1450 мм
высота2650 мм
вес6300 кг
серия3.501.1-153

ФР 1 Фундаменты  раздельные по серии 3.501.1-153.