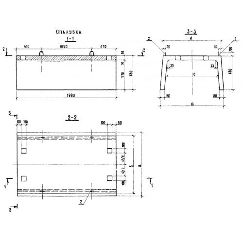
Л-2 блок лотка
Характеристики изделия:
| Параметр | Значение |
|---|---|
| длина | 1990 мм |
| ширина | 880 мм |
| высота | 680 мм |
| вес | 780 кг |
| серия | 3.503.1-66 |
Цена:
Рассчитать стоимостьЛ-2 Блоки лотка по серии 3.503.1-66.
| Параметр | Значение |
|---|---|
| длина | 1990 мм |
| ширина | 880 мм |
| высота | 680 мм |
| вес | 780 кг |
| серия | 3.503.1-66 |
Л-2 Блоки лотка по серии 3.503.1-66.
