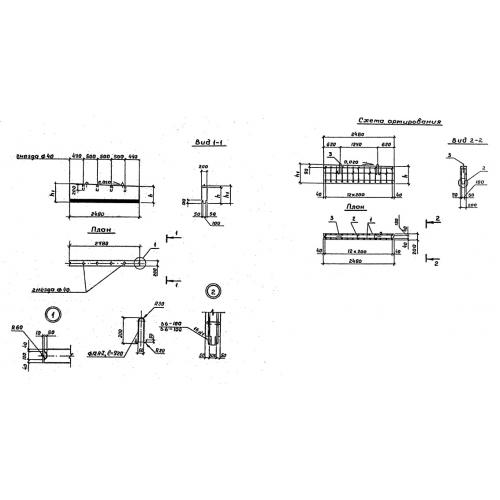
БШ 25-4

Чертеж изделия:
Характеристики изделия:
ПараметрЗначение
длина2480 мм
ширина200 мм
высота490 мм
вес550 кг
серия3.503.1-79

БШ 25-4 Блоки шкафных стенок по серии 3.503.1-79.