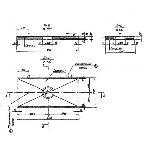
ПУ 2.5-6.0

Чертеж изделия:
Характеристики изделия:
ПараметрЗначение
длина2100 мм
ширина1000 мм
высота100 мм
вес500 кг
серия3.820-9

ПУ 2.5-6.0 Плиты упорные по серии 3.820-9.