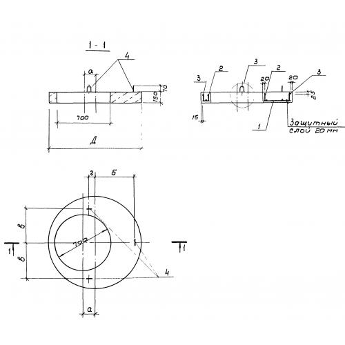
КЦП 13 плита колодца

Чертеж изделия:
Характеристики изделия:
ПараметрЗначение
длина1410 мм
ширина1410 мм
высота150 мм
масса450 кг
нормативный документСерия 3.900.1-14

КЦП 13 Плиты перекрытия колодцев по Серии 3.900.1-14.