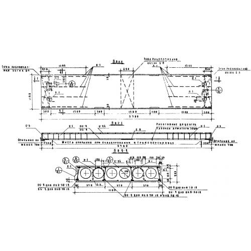
ПК 58.12 панель многопустотная

Чертеж изделия:
Характеристики изделия:
ПараметрЗначение
длина5760 мм
ширина1190 мм
высота220 мм
масса2000 кг
нормативный документСерия ИИ 04-4

ПК 58.12 Плиты (панели) многопустотные по Серии ИИ 04-4.