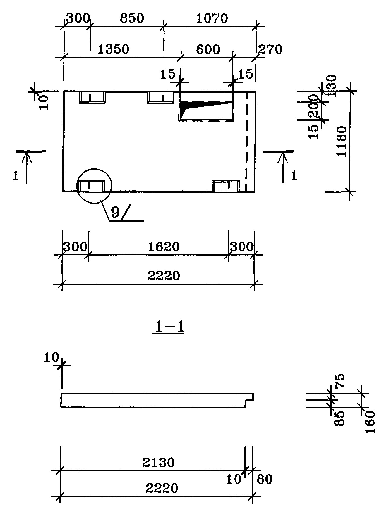
ПЛХ-9

Чертеж изделия:
Характеристики изделия:
ПараметрЗначение
Длина L2220 мм
Ширина В1180 мм
Высота Н160 мм
Вес895 кг
СерияИЖ 4.2-1
Норма погрузки на машину (20тн)22 шт
Вагонная норма погрузки-

Плита лифтового холла ПЛХ-9 изготавливаются по чертежам серии ИЖ 4.2-1 и предназначены для возведения лестниц при строительстве жилых зданий с высотой потолка 3 метра.