БЭ 1
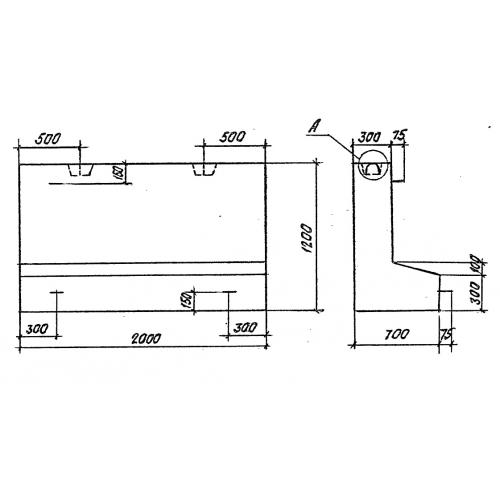
Характеристики изделия:
| Параметр | Значение |
|---|---|
| длина | 2000 мм |
| ширина | 700 мм |
| высота | 1200 мм |
| масса | 2500 кг |
| нормативный документ | Шифр 2175РЧ |
Цена:
Рассчитать стоимостьБЭ 1 Блоки противфильтрационного экрана по Шифру 2175РЧ.
| Параметр | Значение |
|---|---|
| длина | 2000 мм |
| ширина | 700 мм |
| высота | 1200 мм |
| масса | 2500 кг |
| нормативный документ | Шифр 2175РЧ |
БЭ 1 Блоки противфильтрационного экрана по Шифру 2175РЧ.
