СС 104
Характеристики изделия:
| Параметр | Значение |
|---|---|
| длина | 10400 мм |
| ширина | 445 мм |
| высота | 445 мм |
| вес | 1550 кг |
| серия | ТП 4180 |
Цена:
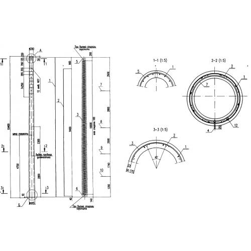
Рассчитать стоимостьСП 104 Стойки, имеющие смешанное армирование с напрягаемой проволочной арматурой, по проекту ТП 4180.
| Параметр | Значение |
|---|---|
| длина | 10400 мм |
| ширина | 445 мм |
| высота | 445 мм |
| вес | 1550 кг |
| серия | ТП 4180 |
СП 104 Стойки, имеющие смешанное армирование с напрягаемой проволочной арматурой, по проекту ТП 4180.
