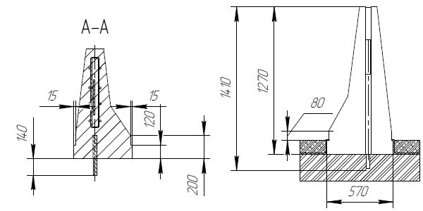
12 МД

Чертеж изделия:
Характеристики изделия:
ПараметрЗначение
длина3552 мм
ширина710 мм
высота1410 мм
масса8750 кг
нормативный документТУ 5899-002-61548960-2010

12 МД  Блоки переходные парапетного двухстороннего ограждения мостовой группы по ТУ 5899-002-61548960-2010.